Reading ICC Timing Reports
Last modified 2012-10-29
Sini
pre {background-color:#f0f0f0;display:block;} At any stage of the design you will be reporting timing. You can use your PnR tool to report the timing after placement, after CTS and various stages of routing and optimization. Even though the P&R timing reports are not signoff STA, they are still very important in understanding the tool behaviour. ICCompiler & PT has similar report structure and I will try to explain a simple path here.
A few tips before we begin.
- When reporting timing, make sure you use “fullpath” reporting for an easy analysis.
- e.g. To report setup time, reporttiming -delay max -path fullclock -nworst 10
- The -delay determines whether hold or setup is reported. To report hold paths, use "-delay min"
- Use –scenario option if you have created multiple scenarios in PnR.
This article talks about decoding the ICC report. To understand the setup and hold analysis, please first read STA - Setup & Hold.
Now, let’s see how a simple register-register path looks in a timing report.
The header of the timing report is given below. This gives the options you have used while running "reporttiming". As can be seen from "delay min", this is a hold violation report. -scenario option is specified and timing is reported for the scenario "funcmax". We will take about derating in another post so as not to complicate stuff.
Report : timing -path fullclock -delay min -nworst 10 -derate -inputpins -nets -maxpaths 10 Design : digtop Scenario(s): funcmax Version: E-2010.12-ICC-SP2 Date : Mon Jul 23 11:01:20 2012
* Some/all delay information is back-annotated. Scenario : funcmax Parasitic source : LPE Parasitic mode : RealRC Extraction mode : MULTICORNER Extraction derating : 95/95
In a hold timing report, the tool is checking whether the data is held long enough after the clock arrival at the clock port of the flop. i.e. if the data path is faster, the data at the flop edge can change earlier than the stipulated hold time.

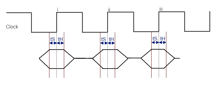
There are three clock edges we are considering in the above signal diagram. tS & tH are the setup and hold times of the flops respectively. In the clock edge marked I, you can see that data is stable at tS & tH and changes only outside this window. However, in the behavior at the clock edge marked II, the data is not stable in the setup window, and hence the design has a setup violation. This is caused by the data path being slow compared to the clock path. In the clock edge marked III, the data changes in the hold window, hence causing a hold violation.
Startpoint: digagc0/inttermreg0
(rising edge-triggered flip-flop clocked by clkagc)
Endpoint: digagc0/inttermreg0
(rising edge-triggered flip-flop clocked by clkagc)
Scenario: funcmax
Path Group: clkagc
Path Type: min
Point Fanout Derate Incr Path Voltage
----------------------------------------------------------------------------------------
clock clkagc (rise edge) 0.00 0.00
clock source latency 3.13 3.13 r
timingcontrol0/C1276/Y (AND2X3) 0.00 3.13 r 3.00
timingcontrol0/oclkagc (net) 2 0.00 3.13 r
digagc0/BUFX8G6B1I2/A (BUFX8) 0.00 & 3.13 r 3.00
digagc0/BUFX8G6B1I2/Y (BUFX8) 0.77 3.91 r 3.00
digagc0/oclkagcG6B1I2 (net) 15 0.00 3.91 r
digagc0/inttermreg0/CP (SDFFCQX2) 0.01 & 3.92 r 3.00
digagc0/inttermreg0/CP (SDFFCQX2) 0.00 3.92 r 3.00
digagc0/inttermreg0/Q (SDFFCQX2) 0.97 4.89 r 3.00
digagc0/intterm\[0\] (net) 3 0.00 4.89 r
digagc0/U306/A (OAI21X1) 0.00 & 4.89 r 3.00
digagc0/U306/Y (OAI21X1) 0.26 5.15 f 3.00
digagc0/n209 (net) 1 0.00 5.15 f
digagc0/U309/B (OAI21X1) 0.00 & 5.15 f 3.00
digagc0/U309/Y (OAI21X1) 0.42 5.57 r 3.00
digagc0/N105 (net) 1 0.00 5.57 r
digagc0/inttermreg0/D (SDFFCQX2) 0.00 & 5.57 r 3.00
data arrival time 5.57
clock clkagc (rise edge) 0.00 0.00
clock source latency 3.13 3.13 r
timingcontrol0/C1276/Y (AND2X3) 0.00 3.13 r 3.00
timingcontrol0/oclkagc (net) 2 0.00 3.13 r
digagc0/BUFX8G6B1I2/A (BUFX8) 0.00 & 3.13 r 3.00
digagc0/BUFX8G6B1I2/Y (BUFX8) 0.77 3.91 r 3.00
digagc0/oclkagcG6B1I2 (net) 15 0.00 3.91 r
digagc0/inttermreg0/CP (SDFFCQX2) 0.01 & 3.92 r 3.00
clock reconvergence pessimism 0.00 3.92
clock uncertainty 0.10 4.02
digagc0/inttermreg0/CP (SDFFCQX2) 0.00 4.02 r
library hold time -0.48 3.54
data required time 3.54
----------------------------------------------------------------------------------------
data required time 3.54
data arrival time -5.57
----------------------------------------------------------------------------------------
slack (MET) 2.03
The above path reports the data and clock as it reaches dig_agc_0/int_term_reg_0_/D and dig_agc_0/int_term_reg_0_/CP pins respectively. From clock port “clkagc” to the clock pin CP of the flop dig_agc_0/int_term_reg_0_, there is a delay of 3.54ns. So the data should take at least 3.54 seconds to reach the cooresponding D pin, which becomes the “required time”. The signal on the data pin takes 5.57ns to reach the D pin, which is actual arrival time.
timingcontrol0/C1276/Y (AND2X3) 0.00 3.13 r 3.00
timingcontrol0/oclkagc (net) 2 0.00 3.13 r
digagc0/BUFX8G6B1I2/A (BUFX8) 0.00 & 3.13 r 3.00
digagc0/BUFX8G6B1I2/Y (BUFX8) 0.77 3.91 r 3.00
In the above snippet of the path, the transition due to net timing_control_0/o_clk_agc is given. The source of the net is timing_control_0/C1276/Y. The incremental delay is 0.00, and the total path delay upto this point is 3.13. The voltage corner used for the timing report is 3.00V. The net timing_control_0/o_clk_agc has 2 fanouts and in the path going to A pin of dig_agc_0/BUFX8_G6B1I is under analysis. The net adds a further delay of 0.00 and the total path delay stays the same. In the next line, a 0.77 delay is added, which is the internal cell delay of the buffer BUFX8[A->Y].
A setup check is also done on the paths to make sure no setup timing is violated. Together these checks ensure that the design will be functional for the frequency specified.
Now let us see some more analysis paths.
SETUP REPORT
Click on this linkto see two setup timing reports for the same IO port-to-register path. The first report is taken after placement, but before completing CTS. The data path is from port 'sdi' to the D pin of the dataokayreg. The clock at both launch and the capture edges are ideal. The clock network is reported after the line "data arrival time".With an ideal clock network delay of 0.00, the setup time is met in this report. Further down, we have the setup analysis report for the same path after CTS. Here, we have propagated the clock, and now we have the delays associated with the clock network built by CTS. If you look at the section before "data arrival time" it is very different from the first report. You can also see why the path now violates setup.
HOLD REPORT
Here is a hold analysis report for a register-register path. The data pin is SI ( the scenario here is scan), and the path is reported to be violating since the data arrived too early with respect to the clock.