Clock Groups : set_clock_groups
Last modified 2019-02-06
Sini
Table of content
Back when I gave an introduction to SDC, I brushed upon set_false_path statements between clocks. However, now there is a more efficient way of specifying the the clock exceptions in the design. set_clock_groups is a powerful way of letting the P&R and STA tools know what is expected of it during optimization and analysis.
There are three options to this command. -asynchronous, -logically_exclusive and -physically_exclusive. Let's tackle them one by one.
Asynchronous Clocks
set_clock_groups -asynchronous
When you say two(or more) clocks are asynchronous, that means there is no phase relationship between them at all. Consider the following statements:
createclock -period 10 -name ClkA [get_ports CLKA]
createclock -period 1- -name ClkB [get_ports CLKB]

Here, ClkA and ClkB are two clocks to the design. They are defined on primary ports and are asynchronous to each other. In such a case, we can specify
set_clock_groups -asynchronous -group {ClkA} -group {ClkB}
This is equivalent to setting the following two false path statements.
setfalsepath -from [get_clocks ClkA] -to [get_clocks ClkB]
setfalsepath -from [get_clocks ClkB] -to [get_clocks ClkA]
Case 1
set_clock_groups -asynchronous -group {ClkA ClkC} -group {ClkB ClkD}
Breaking down the above command gives us--
- ClkA and ClkC are synchronous to each other.
- ClkB and ClkD are synchronous to each other.
- ClkA & ClkC are asynchrnous to ClkB & ClkD and vice versa. i.e. The members of a group are synchronous to each other, but asynchronous the to the elements in the other group.
Case2
Now, consider that one(or both) of these clocks generated other clock, say by a clock divider as in the figure below.

In this case, the clocks ClkB and ClkDiv1 are synchronous to each other, but asynchronous to ClkA. Make sure you have a create_generated_clock statement on divClkB with ClkB as the source clock. setclockgroup on a master clock are NOT applied to generated clocks by default. You need to explicitly include it as in the command below.
set_clock_groups -asynchronous -group [get_clocks ClkA] -group [get_clocks {ClkB divClkB}]
Logically Exclusive Clocks
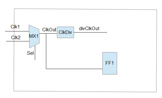
Two clocks are said to be logically exclusive when they are both active in the design but doesn't have any paths between them. An example would be a MUX selecting two or more of the clocks for a portion of the design using its select lines. Such clocks will not have any timing path between them. Let's see the circuit below:
Case1
The clock clkOut is selected by the Sel line of the Mux MX1. So, Clk1 and Clk2 cannot exist together logically in the downstream path of the MX1. They are not interacting outside the MUX path.

set_clock_groups -logically_exclusive -group [get_clocks Clk1] -group [get_clocks Clk2]
Case2 There is logic on Clk2 outside the MUX which is interacting with flops clocked by ClkOut, we cannot specify a logicalexclusion on Clk1 and Clk2. What you can do here is create generated clock statement for the output of the MX1.

create_generated_clock -name genClk1 -source MX1/Y -master Clk1
create_generated_clock -name genClk2 -source MX1/Y -master Clk2
set_clock_groups -logically_exclusive -group [get_clocks genClk1] -group [genClk2]
Case 3
There is a clock divier on ClkOut. In such cases you need to create two generated clock statements for this with Clk1 & Clk2 as the master clock. 
create_generated_clock -name genDivClk1 -source ClkDiv/Y -master Clk1
create_generated_clock -name genDivClk2 -source ClkDiv/Y -master Clk2
set_clock_groups -logically_exclusive -group [get_clocks {Clk1 genDivClk1}] -group [get_clocks {Clk2 genDivClk2}]
Physically Exclusive Clocks
These clocks do not exist in the design at the same time. e.g. Clocks defined on the same primary port but working in two different modes like the TestClk and Functional Clock. There will be no SI interaction between these clocks.
set_clock_groups -physically_exclusive -group [get_clocks TestClk] -group [get_clocks SysClk]